
I use eQSL too !!! www.eQSL.cc
| CALL | DATE | QTR | QTH | COUNTRY | QRG | RST |
|---|---|---|---|---|---|---|
| DD5VL | 2025-10-30 | 16:27 | DRESDEN | 7.190 | 59 / | |
| DL7SL | 2025-10-30 | 16:26 | 7.190 | 59 / | ||


This homebrewed QRP-transceiver was designed and built by myself between 2018 and 2021. I use SDR technology for signal processing (2 Raspberry Pies with high-quality USB sound cards) and I also use a number of analog modules. It is designed for amateur bands between 80m and 10m and has an output from 5 Watt to 30 Watt (more with external equipment). (Top View).

Picture in Picture for S-Meter and Spectrum

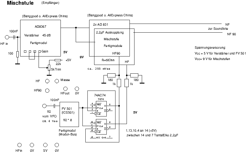
I use a DDS-Generator from AK-Modul-Bus (0 to 24 MHz) to generate the VFO-Signal. It is controlled by the TX-Raspberry-Pi (1,75 MHz to 15 MHz) and followed by an OPAMP. (Foto).
The RX-Mixer is a small board from China. I added an 8 times frequency-multiplier (from AK-Modul-Bus) to get the max. Frequency of 120 MHz. This signal is devided by 4 using two FlipFlops to get two signals with a Phase difference of 90 degrees (3,5 MHz to 30 MHz). With two of these Mixers I get the IQ-Signals for the Stereo Sound card (24 Bit, Delock 61961 or 63926). In Front of this I use a RF-Amplifier-Board from China.


The following diagram shows the RF-Part of the receiver using a hungarian Filter switched by Diodes and a homemade RF-Amplifier with 3 resonant circuits, tuned by C-Diodes (Diagram).

The Transmitter uses the same Mixers for Modulation. It is followed by a RF-Poweramplifier (Kit) from KN-Electronic (max. 50 W) and a Lowpass-Filter (Kit from KN-Electronic).

I use object-oriented programming with inheritance, using hardware interrupts to respond to switches and software interrupts to respond to touchscreen input. Some shell scripts help to establish communication between the two Raspberry-Pies (via LAN / TCP-IP) and the VFO (V24). LEDs and relays are switched by GPIOs. A connection to the internet is not absolutely necessary. My PYTHON code is about 8000 lines.



My Loop-Antenna for 20m and 40m and my Horizontal-L-Antenna (80m .. 10m)
![]()